如需更多信息,請發送電子郵件或撥打我們的熱線電話
如需更多信息,請發送電子郵件或撥打我們的熱線電話
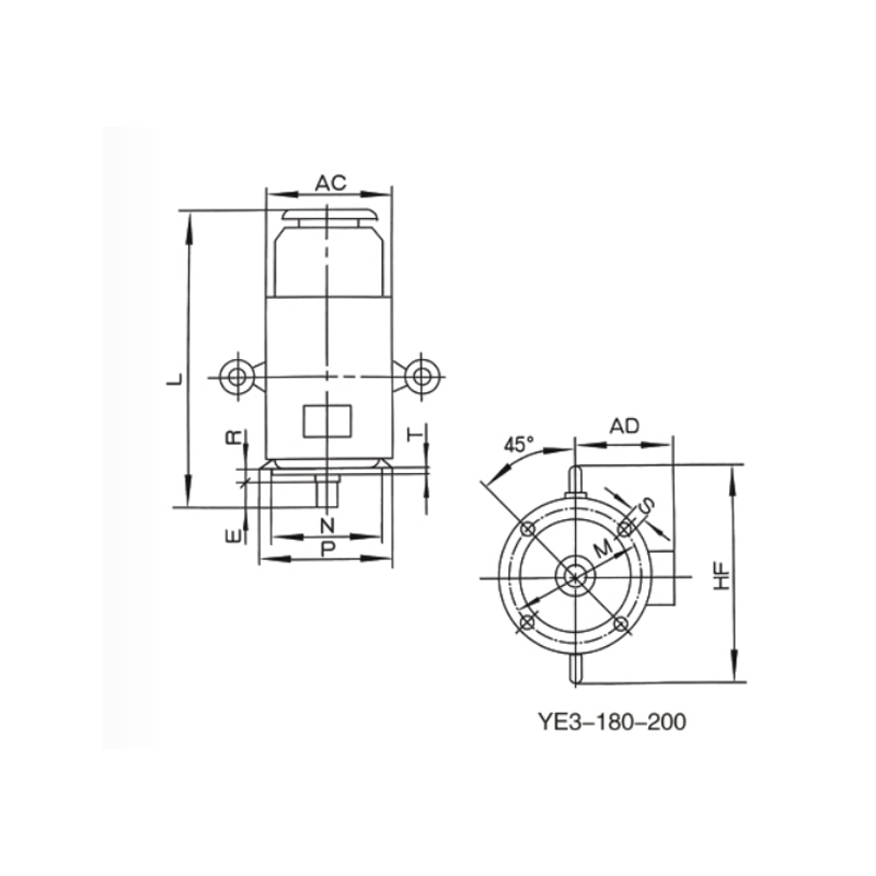
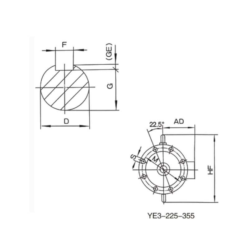
| 立式安裝、機座不帶底腳、端蓋上有凸緣的電動機(VI)Frame without foot end shield with flange(V1) | ||||||||||||||||
| 機座號 Frame | 極數 Ploes | D | E | F | G | M | N | P | R | S | T | 孔數 Holes | AC | AD | HF | L |
| 80M | 2.4.6.8 | 19 | 40 | 6 | 15.5 | 165 | 130 | 200 | 0 | 12 | 3.5 | 4 | 175 | 145 | / | 355 |
| 90S | 24 | 50 | 8 | 20 | 195 | 165 | 410 | |||||||||
| 90L | 440 | |||||||||||||||
| 100L | 28 | 60 | 24 | 215 | 180 | 250 | 14.5 | 4 | 215 | 180 | 245 | 485 | ||||
| 112M | 240 | 190 | 265 | 520 | ||||||||||||
| 132S | 38 | 80 | 10 | 33 | 265 | 230 | 300 | 275 | 210 | 315 | 560 | |||||
| 132M | 610 | |||||||||||||||
| 160M | 2.4.6.8 | 42 | 110 | 12 | 37 | 300 | 250 | 350 | 18.5 | 5 | 330 | 255 | 385 | 720 | ||
| 160L | 750 | |||||||||||||||
| 180M | 48 | 14 | 42.5 | 380 | 280 | 430 | 800 | |||||||||
| 180L | 850 | |||||||||||||||
| 200L | 55 | 16 | 49 | 350 | 300 | 400 | 420 | 305 | 480 | 860 | ||||||
| 225S | 4.8 | 60 | 140 | 18 | 53 | 400 | 350 | 450 | 8 | 470 | 335 | 535 | 955 | |||
| 225M | 2 | 55 | 110 | 16 | 49 | 955 | ||||||||||
| 4.6.8 | 60 | 140 | 18 | 53 | 980 | |||||||||||
| 250M | 2 | 60 | 500 | 450 | 550 | 510 | 380 | 650 | 1020 | |||||||
| 4.6.8 | 65 | 58 | ||||||||||||||
| 280S | 2 | 65 | 580 | 410 | 720 | 1110 | ||||||||||
| 4.6.8 | 75 | 20 | 67.5 | |||||||||||||
| 280M | 2 | 65 | 18 | 58 | 1150 | |||||||||||
| 4.6.8 | 75 | 20 | 67.5 | |||||||||||||
| 315S | 2 | 65 | 18 | 58 | 600 | 550 | 660 | 24 | 6 | 645 | 530 | 900 | 1300 | |||
| 4.6.8.10 | 80 | 170 | 22 | 71 | 1450 | |||||||||||
| 315M | 2 | 65 | 140 | 18 | 58 | 1330 | ||||||||||
| 4.6.8.10 | 80 | 170 | 22 | 71 | 1450 | |||||||||||
| 315L | 2 | 65 | 140 | 18 | 58 | 1330 | ||||||||||
| 4.6.8.10 | 80 | 170 | 22 | 71 | 710 | 655 | 1010 | 1450 | ||||||||
| 355M | 2 | 75 | 140 | 20 | 67.5 | 740 | 680 | 800 | 1640 | |||||||
| 4.6.8.10 | 95 | 170 | 25 | 86 | 1670 | |||||||||||
| 355L | 2 | 75 | 140 | 20 | 67.5 | 1640 | ||||||||||
| 4.6.8.10 | 95 | 170 | 25 | 86 | 1670 | |||||||||||